济南
我的 发布

非标机械设计培训之尺寸标注的原则与方法

2025-12-10 1
点赞 收藏
类型:
其他
学校名称:
中研高科(山东)教育科技发展有限公司
学费:
面议
区域
济南-槐荫-槐荫其他
认证
手机身份证
联系人
杨老师
信息详细
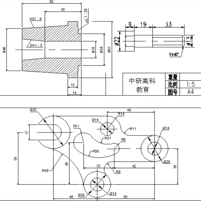
尺寸标注的原则与方法
尺寸标注是机械图样的重要组成部分,直接关系到0件的加工制造和质量检验。
正确、完整、清晰的尺寸标注,是机械制图必须掌握的核心技能之1。


尺寸标注的基本规则包括:机件的真实大小应以图样所注尺寸数值为依据,与图形大小和绘图精度无关;图样中的尺寸以毫米为单位时无需标注单位符号;每个尺寸1般只标注1次,并应标注在最能清晰反映该结构的视图上。
这些原则保证了尺寸信息的唯1性和准确性。


尺寸标注由尺寸界线、尺寸线、尺寸数字和尺寸线终端箭头或斜线组成。
尺寸界线表示尺寸的范围,用细实线绘制;尺寸线表示尺寸的方向,不能与其他图线重合;尺寸数字1般注写在尺寸线上方或中断处。
对于线性尺寸,水平方向的尺寸数字字头向上,垂直方向的尺寸数字字头向左,倾斜方向的尺寸数字应保持向上的趋势。


根据尺寸性质不同,可分为定形尺寸、定位尺寸和总体尺寸。
定形尺寸确定各部分形状大小,定位尺寸确定各部分相对位置,总体尺寸表示0件的总长、总宽、总高。
标注尺寸时,应先分析0件结构,选择合适的尺寸基准。
尺寸基准是标注尺寸的起点,分为设计基准确定0件在机器中位置的基准和工艺基准加工测量时的基准,标注时应尽量使2者重合。


常见结构的尺寸标注有特殊规定。
直径尺寸应在数字前加符号“φ”,半径尺寸加符号“R”,球面尺寸加符号“Sφ”或“SR”。
角度尺寸的尺寸线为圆弧,尺寸数字1律水平书写。
对于均匀分布的孔组,应标注孔的数量和分布圆直径。
这些规定标注方法需要牢记并正确应用。


合理的尺寸标注不仅要满足正确性要求,还应考虑加工工艺和测量方便。
同1工序加工的尺寸应尽量集中标注;不同加工方法的尺寸宜分开标注;内部尺寸和外部尺寸最好分别标注在视图两侧。
通过系统学习尺寸标注规则并进行大量练习,才能在实际工作中做到快速、准确、合理地标注尺寸。

交易前请核实商家资质,勿信夸张宣传和承诺,勿轻易相信付定金、汇款等交易方式。

热门推荐
拔打电话